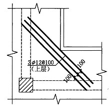
3.3 现浇楼(屋)盖 3.3.1 当采用现浇混凝土整体楼(屋)盖结构时,宜优先采用工业化的焊接钢筋网片。对现浇混凝土及叠合式或装配整体式混凝土楼(屋)盖结构的现浇混凝土部分,应根据《混凝土结构设计规范》GB 50010-2010的要求对温度、干缩应力较大的区域或部位配置足够的抗裂构造钢筋,或按本措施第8章的规定采取相应的抗裂措施。 3.3.2 单向或双向端跨板的阳角处,包括嵌固于承重墙内或支承于钢筋混凝梁上的板,在板短跨1/4长度范围内,应另配双向板面钢筋,或板面斜筋,上述钢筋直径均不小于8,间距不大于150mm。对于跨度不小于3.9m的内跨板,板角加筋要求同端跨板(图3.3.2)。 3.3.3 现浇楼板当跨中设置后浇施工缝时,相邻两边支座的负钢筋应考虑后浇施工缝浇灌混凝土前的悬臂作用而予以适当加强。后浇带处的板筋先做分离处理,混凝土浇灌前将两侧分离钢筋搭接,并与后加的另一方向钢筋扎牢(图3.3.3)。 图3.3.2 板角附加板面钢筋示意图 图3.3.3 楼层板后浇带 3.3.4 现浇板内埋设管线时,管外径不得大于板厚的1/3,交叉管线应妥善处理,并使管壁至板上下边缘净距应不小于25mm。 3.3.5 挑檐转角处配置附加加强钢筋 1 当挑檐转角位于阳角时,可采用下列两种形式设置加强钢筋: 1)在平行于板角对角线处配置上部加强钢筋;且在垂直于板角对角线处配置下部加强钢筋。配置宽度取悬挑长度L,其加强钢筋的直径及间距与板内相应的受力钢筋相同(图3.3.5-1); 2)在挑檐转角处配置放射形加强负钢筋,其间距沿L/2处应不大于200mm,其直径与悬臂板支座处受力钢筋相同,钢筋的锚固长度应大于悬挑长度且不小于300mm(图3.3.5-2); 3)在挑檐转角处设置悬挑梁。 2 当挑檐转角位于阴角时,应在垂直于板角对角线的转角板处配置加强钢筋,钢筋直径不小于12mm,间距为100mm,且不少于三根(图3.3.5-3)。 图3.3.5-1 图3.3.5-2 图3.3.5-3 3.3.6 悬挑预制板应有可靠的锚固连接。单独的阳台板,可在阳台的连接边上预留出短锚筋,在室内留不小于300mm宽的现浇板,并使阳台板与室内现浇楼板连成整体。 3.3.7 非抗震设防地区及离地面30m以上且悬挑长度大于1200mm的悬臂板,以及位于抗震设防区,悬挑长度大于1500mm的悬挑板,均需配置不少于8@200的底筋。 3.3.8 现浇悬臂挑檐板或天沟板的伸缩缝间距不应大于15m。伸缩缝隙宽不小于20mm,缝隙宜用油膏或其他防渗漏措施处理。 3.3.9 当现浇板的受力钢筋与梁肋平行时,应按规范的要求配置与梁肋相垂直的构造钢筋。 3.3.10 控制现浇楼板温度收缩裂缝的措施 1 在温度收缩应力较大的现浇板区域内,钢筋间距宜取150~200mm,并应在板的未配筋表面布置温度收缩钢筋。板的上、下表面沿纵横两个方向的配筋率均不宜小于0.1%; 2 温度收缩钢筋可利用原有钢筋贯通布置,也可另行设置构造钢筋网,并与原有钢筋按受拉钢筋的要求搭接或在周边构件中锚固; 3 现浇板支座处板面构造钢筋和分布钢筋的设置,应分别符合《混凝土结构设计规范》GB 50010-2010中第9.1.6和9.1.7条的规定; 4 各跨底部钢筋的间距及规格尽可能统一,以便将底部钢筋拉通布置。 3.3.11 当屋面板的长度大于30m时,应在配筋构造上加强其抗温度变形的措施(图3.3.11)。 图3.3.11 屋面板配筋示意(L≥30m) 1 各跨底部钢筋的间距及规格尽可能统一,以便将底部钢筋拉通布置; 2 板面沿纵向拉通的负筋的最小配筋率不少于0.1%,且不宜小于6@200。支座实际需要量不足时,再另加间距相同的短筋补足; 3 板面沿横向的负筋不宜小于6@200,且需拉通布置。支座实际需要量不足时,另加相同间距的短筋; 4 直通布置的面筋搭接长度不小于36d,且不小于300mm;搭接口应错开,并且错开距离宜大于或等于500mm。